Bình nóng lạnh Panasonic DH-4UP1VS là sản phẩm máy nước nóng trực tiếp tầm trung thuộc dòng U Series. Được trang bị 9 tính năng an toàn, Panasonic DH-4UP1VS mang lại những giây phút tắm táp thoải mái và thư giãn.
1. Thiết kế bình nóng lạnh Panasonic DH-4UP1VS màu đen - bạc: sang trọng và trang nhã
Sở hữu hình dáng thiết kế hình hộp chữ nhật đứng, kích thước bình nóng lạnh Panasonic DH-4UP1VS các chiều cao*rộng*sâu lần lượt tương ứng là 385*210*78mm khá mỏng gọn. Trọng lượng nhẹ chỉ khoảng 3kg rất thích hợp để treo tường. Được mix 2 màu đen - bạc tương phản nhau, Panasonic DH-4UP1VS vừa thích hợp với hầu hết mọi không gian phòng tắm, vừa làm điểm nhấn nhá cho toàn không gian.
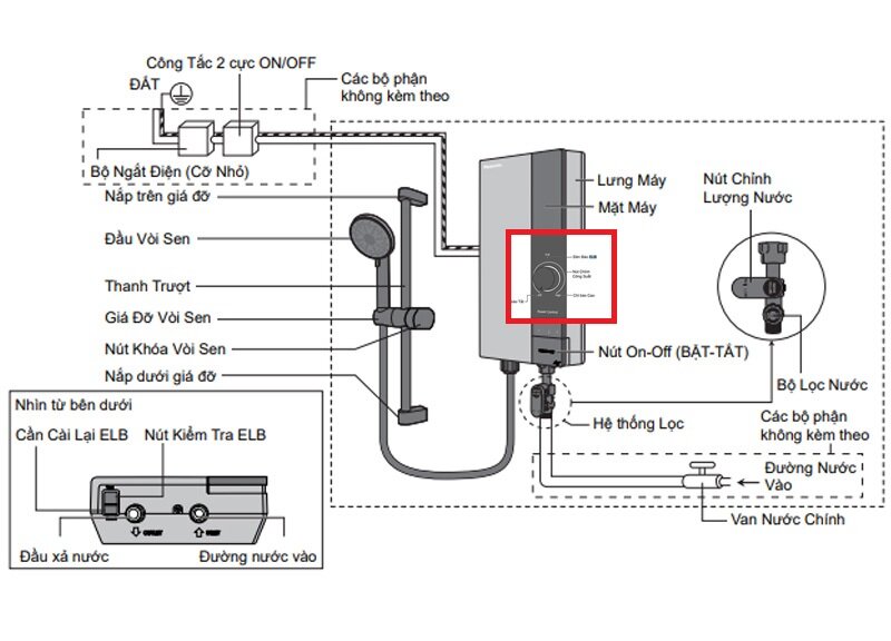
Phần vỏ máy được làm từ chất liệu nhựa ABS cao cấp. Mặt trước sản phẩm có trang bị đèn báo ELB, công tắc chống giật ELB lắp sẵn, nút kiểm tra ELB, núm xoay vặn tùy chỉnh công suất, van khóa và tùy chỉnh lưu lượng nước và một nút công tắc bật tắt ngắt cứng trên sản phẩm tiện lợi. Trong đó:
- ELB là công tắc chống giật giúp đảm bảo an toàn về điện cho người sử dụng.
- Đèn báo ELB: Khi sáng có ý nghĩa thông báo tới người dùng rằng tính năng chống giật đang hoạt động.
- Nút kiểm tra ELB có chức năng phòng trừ trường hợp rò rỉ điện. Khi kiểm tra phát hiện có sự cố rò rỉ điện, Panasonic DH-4UP1VS sẽ tự động ngắt để đảm bảo an toàn cho người dùng.
- Để tùy chỉnh nước ấm ở nhiệt độ thích hợp, người dùng có thể xoay núm chỉnh công suất 4 mức OFF - LOW - MED - HIGH.
- Nút Push On - Off: Đây là nút công tắc bật nhanh và ngắt cứng ngay trên sản phẩm và là một tính năng rất được người dùng ưa chuộng, đánh giá cao hơn cả các sản phẩm máy nước nóng Ariston Arure 2.0 về sự tiện lợi.
Phần vòi sen đi kèm cũng được làm từ chất liệu nhựa cao cấp, bao gồm các linh phụ kiện chính là đầu vòi, dây vòi sen, hệ thống lọc, tay vịn, đệm cao su, giá đỡ vòi sen, thanh trượt, tắc kê, đệm cao su A, ốc vít, bảng tổng hợp về hệ thống lọc.
Phần lưng có thiết kế móc treo tường còn phần đáy có thiết kế ống nước vào ra, nóng lạnh.
Nhìn chung, với kiểu dáng gọn đẹp cùng cấu tạo 4 phần, các tính năng trên bảng điều khiển mặt trước thiết kế trực quan ít nút, dễ dùng, có nhiều tính năng tiện lợi cho người hay quên, không cần phải mở cửa trở ra bật công tắc máy nước nóng bên ngoài phòng tắm khi quên với nút Push On - Off.

2. Làm nóng nước nhanh với công suất lớn 4,5kW
Bình nóng lạnh Panasonic DH-4UP1VS được trang bị công suất 4,5W. Nhờ hoạt động theo nguyên lý làm nóng nước trực tiếp nên khi sử dụng Panasonic DH-4UP1VS bạn sẽ có nước tắm ấm nóng sử dụng ngay mà không cần chờ đợi như loại bình nóng lạnh gián tiếp thông thường. Tuy sử dụng núm xoay vặn tùy chỉnh nhiệt độ đạt trong dải bằng nhiệt độ nước đầu vào tới 45 độ C nhưng mức nhiệt tối đa máy có thể làm nóng là 55 độ C. Đây là mức nhiệt độ thích hợp sử dụng cho khí hậu các vùng miền có nền nhiệt trên 20 độ. Do đó, dù bạn ở miền Nam hay miền Bắc thì đầu có thể lắp đặt bình nóng lạnh Panasonic DH-4UP1VS cho gia đình sử dụng.
3. Bình nóng lạnh Panasonic DH-4UP1VS có bơm trợ lực giúp nước chảy ổn định cả khi xa nguồn nước
Thuộc dòng máy nước nóng Panasonic có bơm, Panasonic DH-4UP1VS thích hợp sử dụng ổn định cả trong tình trạng nước yếu, xa nguồn cấp, vẫn giúp người dùng có trải nghiệm tắm táp thư giãn thoải mái. Bên cạnh đó, bơm trợ lực được trang bị cho sản phẩm hoạt động khá êm nên không gây ảnh hưởng nhiều tới việc thư giãn khi tắm.

4. Bảo vệ các mối nguy hại từ nước, lửa và điện cho cả gia đình với 9 tính năng an toàn
Đối với các sản phẩm máy nước nóng Panasonic trực tiếp như DH-4UP1VS, các điều kiện an toàn luôn được đặt lên hàng đầu. Sản phẩm được trang bị nhiều tính năng an toàn như:
- Vỏ máy chống thấm nước đạt tiêu chuẩn IP25, có khả năng chống bụi đạt tiêu chuẩn IPX2 giúp bảo vệ sản phẩm khỏi các loại bụi lớn đường kính trên 12,5mm xâm nhập và chống cháy.
- Tính năng ELB chống giật, tự ngắt điện bảo vệ người sử dụng khi phát hiện có sự cố rò rỉ điện.
- Có cảm biến lưu lượng nước thông minh giúp tự nhận diện nước nóng đầu ra ít hơn 2 lít/phút để tránh tình trạng thanh nhiệt bị khô có thể gây cháy nổ nghiêm trọng.
- Có rơ le cảm biến nhiệt chống bỏng, nếu nước đầu ra quá nóng máy sẽ tự ngắt còn nhiệt độ nước đầu ra quá nguội máy sẽ tự động tăng thêm nhiệt.
- Bộ gia nhiệt làm từ đồng có độ bền cao, không dễ cháy, chịu nhiệt cao, có khả năng tự dập lửa khi có sự cố tránh phát sinh hỏa hoạn, quá nhiệt.
- Có bộ lọc nước đầu vào kháng khuẩn giúp nước đầu ra sạch sẽ, tốt hơn cho làn da người tắm.

5. Được trang bị vòi sen 3 chế độ
Không chỉ đẹp, vòi sen đi kèm bình nóng lạnh Panasonic DH-4UP1VS còn được thiết kế phun 3 chế độ gồm phun điểm, phun rộng và phun thường cho người sử dụng nhiều trải nghiệm tắm táp khác nhau phù hợp nhiều đối tượng kể cả những người nhạy cảm như người già, trẻ nhỏ.
6. Giá bình nóng lạnh Panasonic DH-4UP1VS không đắt
Hiện giá bình nóng lạnh Panasonic DH-4UP1VS bán ra trên thị trường đang dao động trong khoảng từ 4-5 triệu đồng/ sản phẩm tùy nơi bán và dịch vụ lắp đặt. Để có trải nghiệm sản phẩm tốt bạn nên chọn mua sản phẩm tại nơi bán uy tín, nổi tiếng về chất lượng dịch vụ lắp đặt tốt để tránh phát sinh sau lắp đặt.