áp dụng công nghệ tráng men CefionTect giúp giải quyết triệt để vấn đề bám bẩn, giữ lớp men sáng bóng lên đến 30 năm. Đặc biệt nhất là Bồn Cầu TOTO.
TOTO MS887RW7 là sản phẩm bồn cầu chất lượng cao đến từ thương hiệu thiết bị vệ sinh cao cấp TOTO Nhật Bản với lớp men sứ sáng bóng, chống bám bẩn hiệu quả, thiết kế 1 khối đẹp mắt, sang trọng, dễ dàng vệ sinh, phù hợp với mọi căn phòng tắm từ sang trọng đến hiện đại.
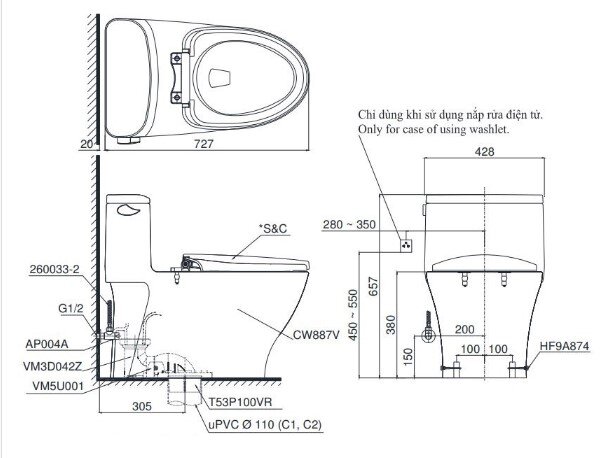
Thông tin sản phẩm bệt vệ sinh TOTO MS887RW7
- Thiết kế: 1 khối thân dài, thiết kế không vành (dễ dàng vệ sinh)
- Hệ thống xả: Hệ thống xả xoáy Tornado
- Loại xả: Xả tay gạt
- Lượng nước sử dụng: 4.8 (L)
- Áp lực nước sử dụng: 0.05 ~ 0.70 (Mpa)
- Tâm xả: 305 (mm)
- Vật liệu: Sứ vệ sinh cao cấp
- Mã cũ: MS887W7
Thiết kế bồn cầu nắp rửa điện tử TOTO 1 khối MS887RW7 đã bao gồm:
- Thân cầu 1 khối
- Nắp rửa điện tử NEW WASHLET đa chức năng TCF6631A (220V)
- Van khóa
- Gioăng đế
Bản vẽ kỹ thuật của bàn cầu vệ sinh TOTO MS887RW7

Vì sao bạn PHẢI quan tâm đến sản phẩm bàn cầu TOTO MS887RW7?
Những ưu điểm bạn không thể bỏ qua của TOTO MS887RW7
- Xả rửa mạnh mẽ, hiệu quả, cuốn trôi mọi chất bẩn trong 1 lần xả giúp giữ cho bồn cầu luôn sạch sẽ trong khi có thể tiết kiệm lượng nước sử dụng tối đa.
- Dễ dàng vệ sinh với thân bồn trắng bóng, trơn nhẵn, chống bám bẩn hiệu quả. Hạn chế sử dụng chất tẩy rửa, an toàn cho sức khỏe người sử dụng và môi trường xung quanh.
- Thiết kế bồn cầu liền khối nhỏ gọn, vừa phong cách hiện đại, vừa sang trọng tiện lợi, phù hợp với nhiều thiết kế của căn phòng tắm hiện nay.
- Nắp rửa điện tử công nghệ cao hiện đại giúp cho người sử dụng có thể dễ dàng vệ sinh cơ thể một cách thoải mái và sạch sẽ nhất.
Công nghệ bồn cầu nắp rửa điện tử TOTO 1 khối MS887RW7:
- Công nghệ tráng men CeFiontect: Công nghệ tráng men sứ CeFionTect giúp cho lớp men sứ nhẵn, bóng, chống bám bẩn hiệu quả gấp nhiều lần so với lớp men thường, giúp bồn cầu TOTO dễ dàng cuốn trôi mọi chất bẩn trong quá trình sử dụng cũng như dễ dàng vệ sinh.
- Công nghệ xả xoáy TORNADO: Hệ thống xả xoáy mạnh mẽ, trải rộng 360˚ đạt đến mọi vị trí trong lòng cầu giúp cuốn trôi mọi chất bẩn chỉ trong 1 lần xả trong khi sử dụng ít nước hơn so với hệ thống xả thông thường.
- Công nghệ tiết kiệm nước Water Saving: Cùng với hệ thống xả hiệu quả, chiếc bồn cầu 1 khối này được tích hợp chức năng tiết kiệm nước với xả nhấn 2 chế độ để người sử dụng có thể tùy chọn, lượng nước sử dụng chỉ còn 3.0/4.5l, ít hơn so với nhiều loại bồn cầu thông thường khác.
- Công nghệ nắp rửa điện tử Washlet: Vòi rửa tự động hiện đại, đa chế độ với chức năng tạo bọt khí, nước ấm, phun sương... và rửa trước, rửa sau, và rửa trải rộng... vô cùng hiện đại, tiện lợi, giúp người sử dụng có thể thoải mái vệ sinh một cách tốt nhất.
MUA NGAY bồn cầu TOTO MS887RW7 tại HITA
Hãy lựa chọn nút MUA NGAY MS887RW7 để không bỏ lỡ cơ hội này. Bên cạnh đó, bạn có thể liên hệ với HITA thông qua số điện thoại bên cạnh để nhận được sự tư vấn chi tiết. HITA cam kết mang đến cho bạn những ưu đãi sau đây:
- Thiết bị vệ sinh HITA - là đại lý đẳng cấp 1 của TOTO.
- Giá bán lẻ vô cùng hấp dẫn và giá sỉ với mức chiết khấu cao.
- Dịch vụ giao hàng nhanh chóng và chu đáo đến tận nơi.
- Sản phẩm chính hãng đảm bảo 100% về chất lượng.