TIN TỨC LIÊN QUAN
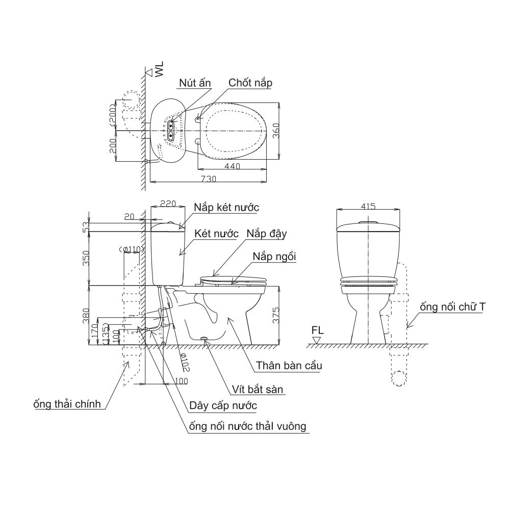
Bồn cầu liền khối là gì? Có ưu điểm gì nổi bật?
Hôm nay, các bạn hãy cùng websosanh tìm hiểu về dòng sản phẩm bồn cầu liền khối nhé. Bài viết này sẽ thực sự hữu ích cho những ai đang tìm hiểu hoặc có nhu cầu về bồn cầu liền khối.
So sánh bồn cầu 1 khối và bồn cầu 2 khối
Lý do bạn nên lựa chọn bồn tắm Inax
5 lý do bạn nên mua ngay bồn rửa mặt Inax
Tại sao bạn nên mua chậu rửa mặt Inax?
Phân tích ưu – nhược điểm vòi tắm hoa sen Inax
Kinh nghiệm chọn mua vòi hoa sen Inax tốt và phù hợp nhất
Khám phá mẫu bồn cầu Inax 306 để biết tại sao nên mua
