Phụ kiện âm tường Toto TBN01001B

Giá từ: 557.700 đ
So sánh giáThông tin sản phẩm
Giá của 24 nơi bán
Nơi bán: Tất cả
Sắp xếp: Giá tăng dần

XEM THÊM CÁC SẢN PHẨM TƯƠNG TỰ

Vòng treo khăn tròn CleanMax 99014
So sánh giá

Vòng treo khăn tròn CleanMax 99014

Giá từ 369.600 đ
5nơi bán
Kệ cốc đánh răng Ecobath EC-6052
So sánh giá

Kệ cốc đánh răng Ecobath EC-6052

Giá từ 403.200 đ
15nơi bán
Dĩa đựng xà phòng Hafele 580.41.560
So sánh giá

Dĩa đựng xà phòng Hafele 580.41.560

Giá từ 580.800 đ
5nơi bán
Phễu thoát sàn chống mùi hôi ATMOR AH051
So sánh giá

Phễu thoát sàn chống mùi hôi ATMOR AH051

Giá từ 594.000 đ
7nơi bán
Ống thoát chữ P Kanly GCP02
So sánh giá

Ống thoát chữ P Kanly GCP02

Giá từ 572.000 đ
10nơi bán
Bộ vòi xịt WC Hafele 485.95.016
So sánh giá

Bộ vòi xịt WC Hafele 485.95.016

Giá từ 592.900 đ
6nơi bán
Kệ đựng ly Cotto CT886(HM)
So sánh giá

Kệ đựng ly Cotto CT886(HM)

Giá từ 753.500 đ
16nơi bán
Hộp đựng giấy lau tay inox SF 945
So sánh giá

Hộp đựng giấy lau tay inox SF 945

Giá từ 560.000 đ
3nơi bán

Thông tin sản phẩm

Thông tin sản phẩm van điều chỉnh nhiệt độ TOTO TBV01406B/TBN01001B

Thông số của TOTO TBV01406B/TBN01001B:

  • Mã sản phẩm: TBV01406B/TBN01001B
  • Van điều chỉnh nhiệt độ kèm phụ kiện âm tường
  • Chất liệu: Đồng mạ Niken-Crom
  • Áp lực nước: 0.05 ~ 1.0 MPa

Đặt điểm nổi bật van điều chỉnh nhiệt độ TOTO TBV01406B kèm phụ kiện âm tường TBN01001B 

  • Công nghệ ổn định nhiệt Safety Thermo sử dụng lõi lò xo SMA

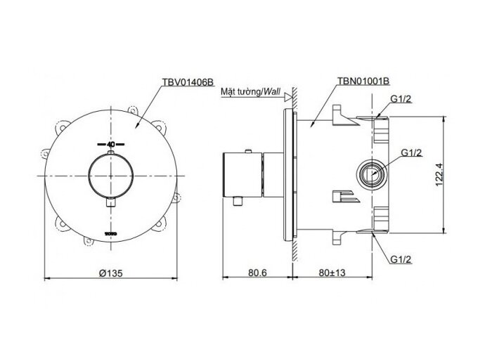
Bản vẽ kỹ thuật van điều chỉnh nhiệt độ TBV01406B TBN01001B TOTO

Bản vẽ kỹ thuật van điều chỉnh nhiệt độ TBV01406B TBN01001B TOTO

SẢN PHẨM LIÊN QUAN

Phụ kiện âm tường Toto TBN01103B
So sánh giá

Phụ kiện âm tường Toto TBN01103B

Giá từ 2.970.000 đ
25nơi bán
Phụ kiện âm tường Toto TBN01102B
So sánh giá

Phụ kiện âm tường Toto TBN01102B

Giá từ 2.960.000 đ
23nơi bán
Phụ kiện âm tường Toto TBN01101B
So sánh giá

Phụ kiện âm tường Toto TBN01101B

Giá từ 2.960.000 đ
40nơi bán
Phụ kiện âm tường Toto TBN01104B
So sánh giá

Phụ kiện âm tường Toto TBN01104B

Giá từ 2.180.000 đ
23nơi bán
Van dừng kèm phụ kiện âm tường Toto TBV02101B/TBN01104B
So sánh giá
Bộ phụ kiện Toto YS903N5V - 5 món
So sánh giá

Bộ phụ kiện Toto YS903N5V - 5 món

Giá từ 2.750.000 đ
55nơi bán
Bộ phụ kiện Toto YS902N5V - 5 món
So sánh giá

Bộ phụ kiện Toto YS902N5V - 5 món

Giá từ 4.400.000 đ
54nơi bán
Bộ phụ kiện Toto YS408N3V - 3 món
So sánh giá

Bộ phụ kiện Toto YS408N3V - 3 món

Giá từ 1.633.500 đ
29nơi bán

TIN TỨC LIÊN QUAN

Top 4 mẫu bồn tắm nhựa được ưa chuộng nhất

Top 4 mẫu bồn tắm nhựa được ưa chuộng nhất

Sở hữu mẫu bồn tắm nhựa trong phòng tắm gia đình không chỉ khiến phòng tắm trở nên sang trọng, hiện đại mà còn giúp người dùng thư giãn thoải mái, cải thiện sức khỏe và sắc đẹp rất nhiều.

TIN TỨC MỚI NHẤT