Thông tin sản phẩm bồn cầu 2 khối COTTO nắp điện tử C126207(CV7)
Thông số kỹ thuật 2 khối COTTO nắp điện tử C1266207(CV7)
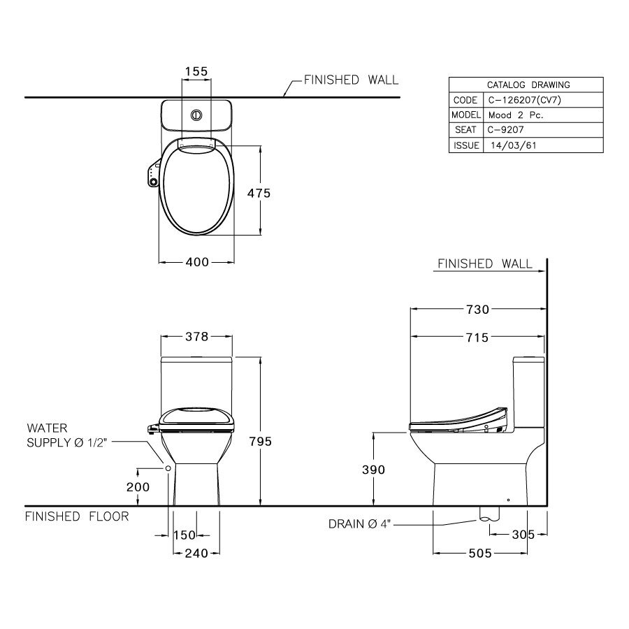
- Mã sản phẩm: C126207(CV7)
- Dòng sản phẩm: Mood
- Kích thước (R x D x C): 455 x 715 x 795 mm
- Thiết kế: Thân dài, thoát thẳng
- Tâm xả tối thiểu:305mm
- Tâm xả tối đa:305mm
- Chất liệu: Ceramic
- Màu sắc: Màu trắng
- Hệ thống xả Triplex, tiết kiệm nước 3/ 4,5L
- Áp lực nước: 0.05 MPa ~ 0.75 MPa
- Bao gồm: Van khóa, đế cầu, dây cấp
- Đi kèm nắp rửa điện tử: C9207(220V)
- (Có remote đi kèm)
- Kích thước nắp: 405 x 520 x 130mm
Bồn cầu thông minh nắp điện tử C126207(CV7) COTTO có những ưu điểm gì?
- Công nghệ kháng khuẩn Ultra Clean+ ức chế sự phát triển của vi khuẩn lên đến 99% trong 24h và bề mặt bóng mịn.
- Thiết kế cho bàn cầu thân dài Khử khuẩn bằng tia cực tím.
- Sấy khô, nắp có sưởi ấm.
- Công nghệ xả rửa mạnh mẽ, cuốn trôi mọi vết bẩn.
- Thoải mái khi sự dụng kích cỡ tiện lợi nắp ngồi dễ chịu.
- Thiết kế thông minh: Tối giản những góc cạnh, giúp dể dàng vệ sinh.
- Tiết kiệm nước.
- Thân thiện với môi trường.
Bản vẽ kỹ thuật bồn cầu 2 khối nắp điện tử C126207(CV7)

Mua bồn cầu nắp điện tử C126207(CV7) COTTO Tại Đại Lý Cấp 1 COTTO-Hita
Nhấn nút MUA NGAY hoặc nhấp vào biểu tượng HOTLINE bên cạnh để nhận tư vấn bồn cầu COTTO C126207(CV7) miễn phí với mức giá tốt nhất các bạn nhé. HITA cam kết:
- Dịch vụ giao hàng tận nơi chu đáo và nhanh chóng
- Nhận lắp đặt tận nơi theo lịch hẹn của khách
- Thiết bị vệ sinh HITA - đại lý cấp 1 của COTTO
- Cam kết hàng chính hãng, đảm bảo 100% về chất lượng